欢迎来到威瑞(无锡)精工科技有限公司的官方网站!

产品中心

PRODUCT CENTER

产品中心

当前位置: 首页 > 产品中心 > 气 缸
QGD QGY薄型气缸系列

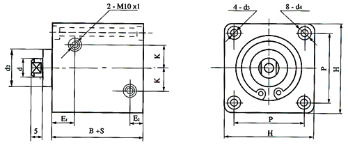
安装尺寸:
缸内径
B
活塞杆内螺纹
d
d2
d3
d4
E1
E2
K
H
P
32
30
M10*1
16
30
5.5
10
18
8
13
55
43
40
30
M10*1
16
30
5.5
10
18
8
15
60
48
50
38
M12*1.25
20
40
6.5
12
20
10
15
74
60
63
38
M12*1.25
20
40
6.5
12
20
10
20
85
68

 安装尺寸图:


上一页:JQG系列夹紧气缸系列
下一页:10A-5无给油润滑气缸系列
    
联系我们

厂址:无锡市梅园徐巷688号

电话:0510-85516389

传真:0510-85509687

邮编:214064

邮箱:sales@cn-htpc.com

网址:www.cn-htpc.com

客户反馈
Copyright © 2017 威瑞(无锡)精工科技 有限公司 / 无锡市河埒气动元件厂 版权所有 未经许可不得使用、转载、摘编。